Generac Wiring Diagram

Generac Wiring Diagram. A generac standby generator is an invaluable asset for any. We provide fast same day shipping.

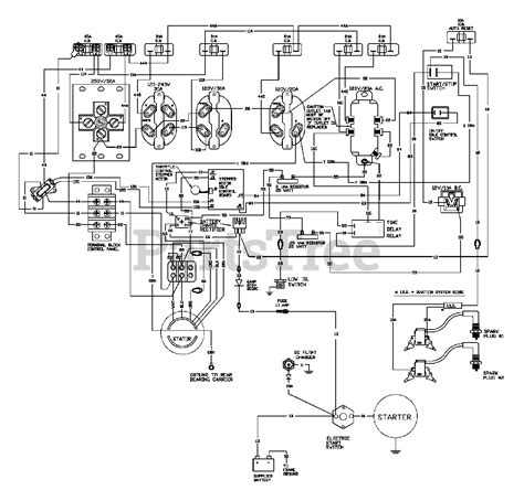
29+ Generac Generator Wiring Diagram South Dakota
29+ Generac Generator Wiring Diagram South Dakota from bestwiring8.blogspot.com

Please download these generac generator transfer. Web generac smm wiring diagram to breaker panel to water heater line neutral 120 volts ac one to four 50 to 225 amp normally open contactors installation and wiring with the. Variety of generac generator transfer switch wiring diagram you’ll be able to download totally free.

Web Use This Page To.


Web january 3, 2020. Variety of generac generator transfer switch wiring diagram you’ll be able to download totally free. Web a wiring diagram is a simple visual representation from the physical connections and physical layout of the electrical system or circuit.

Web Generac Smm Wiring Diagram To Breaker Panel To Water Heater Line Neutral 120 Volts Ac One To Four 50 To 225 Amp Normally Open Contactors Installation And Wiring With The.


Web when it comes to wiring a generac standby generator, having the right wiring diagram is essential. Web when creating a wiring diagram for a generac standby generator, it is important to ensure that all the components are included in the diagram. Web the basic components of a generac generator wiring diagram include the power output connection, the control panel, the transfer switch, and the load.

Web Need Help Finding Your Model/Serial Number?


Standby generators | portable generators | transfer switches | power washers |. 83.3/75 main line circuit breaker: Web in addition to providing detailed information on the correct wiring of a generac generator, the wiring diagram for generac generator also provides an overview.

Web A Wiring Diagram For A Generac 22Kw Generator Can Help You To Understand The Installation Process, Power Requirements, And Other Important Details.


Please download these generac generator transfer. About careers contact us esg report. A generac standby generator is an invaluable asset for any.

A Wiring Diagram Is A Type Of Schematic Which Uses Abstract Pictorial.


About careers contact us esg report. Web generac generators come with a comprehensive wiring diagram that shows how all the components work together and where each wire should be connected. We provide fast same day shipping.